2019-05-14
10633在汽车、航空、铁路等工业领域中,防火阻燃性能是非常重要的。尤其在交通运输中,若不慎起火,将会造成大面积的燃烧并会释放出有害物质,继而造成人员伤亡,损失惨重。为了避免此类风险,在一些关键部位使用防火阻燃材料是打造安全环境的重要保障。比如用于车身密封和缓冲的硅胶泡棉,在工业级别上的阻燃要求需要达到最严格的UL94 V-0和HF-1级别。
以下介绍关于根据 UL94 的测试标准及方法,在垂直方向和水平方向的阻燃现象,以及实验室简易检测的方法与标准,能够帮助我们更好的了解和评估材料的阻燃防火性能。
PART ONE UL94 测试标准和方法
检测仪器
UL94 水平和垂直燃烧试验箱、本生灯、支架
垂直测试
测试步骤
1.制样:取 125±5mm×13.00±0.5mm×Thickness 规格试样两组,每组 5 个(样品尺寸的最大厚度和最小厚度都要提供,若测试的结果不一致,则中间厚度也要提供,最大厚度不得超过13mm)。
2.预处理:
①在 23±2℃,50±10% RH 的环境条件下放置至少 48h;
②70±2℃老化 168±2h,然后在干燥器中放置至少 4h 冷却至室温。
3.操作步骤
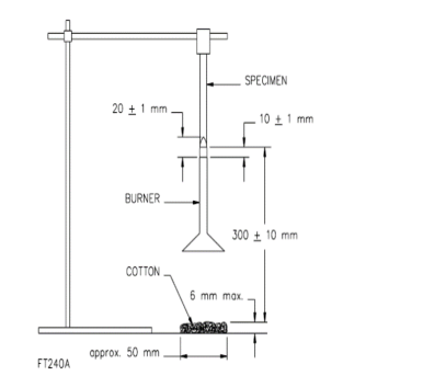
1)如右图所示,在试样上端 6mm 部位夹紧试样,使试样垂直放置;
2)通过调节本生灯,使火焰高度20±1mm,本生灯置于样品下方正中心位置,灯口距样品底端10±1mm,正下方铺有不重于0.08g的吸水的100%的脱脂棉(50×50mm,不超过6mm厚);
3)点火,时间为10±0.5s,点火10±0.5s 后以300mm/s 的速度移开本生灯至少150mm,同时开始,记录余焰时间t 1 (如果在此期间试样滴下熔融或燃烧的物质,倾斜喷灯最大至45°,避免熔融的物质滴入喷火管中),余焰停止时应立即点燃10±0.5s,点火10±0.5s后以300mm/s的速度移开,本生灯至少移开150mm,同时记录余焰时间t 2 和余灼时间t 3 。


水平测试
测试步骤
1.制样:取150±5mm×50±1mm×Thickness规格试样两组,每组5个(样品尺寸的最大厚度和最小厚度都要提供,若测试的结果不一致,则中间厚度值样品也要提供,最大厚度不得超过13mm)。
2.预处理:
①在 23±2℃,50±10%RH 的环境条件下放置至少 48h;
②70±2℃老化 168±2h,然后在干燥器中放置至少 4h 冷却至室温。
3.操作步骤:
a) 在样品的25mm,60mm,120mm处做参考标记;
b) 搭建装置,如右图所示,整个支架为175±25mm,本生灯灯尖离样品的距离为13±1mm,在铁丝网水平面正下方底部放置50mm×50mm,不超过6mm厚的吸水脱脂棉;
c) 调整本生灯火焰为高度38mm的蓝光;
d) 用本生灯外焰施加于水平放置在铁丝网上的泡棉的一侧,施加火源时间为60s,然后移开火焰,离样品100mm或更远的距离,同时启动记录时间装置,若火焰达到25mm刻度标记时,无论火焰在样品的底部、顶部或边缘,都要启动另一个计时装置,测定样品的燃烧速率。


评定方法:
UL94 HBF:在25mm及125mm两个标记间材料燃烧不超过40mm/min,或在125mm标记前自熄,但不符合UL94 HF-1及UL94 HF-2的要求;
UL94 HF-1:一组5个试样中至少有4个明燃时间≤2s,任何一个试件的明燃时间不超过10s。经过60mm标记后,试样未能破坏。点燃源移开后,或经过60mm标记后,试件燃烧试件不超过30s,无熔滴;
UL94 HF-2:一组5个试样中至少有4个明燃时间≤2s,任何一个试件的明燃时间不超过10s。经过60mm标记后,试样未能破坏。点燃源移开后,或经过60mm标记后,试件燃烧试件不超过30s,熔滴点燃脱脂棉;